Hardware - Retro Computing

6502 Computer from Scratch

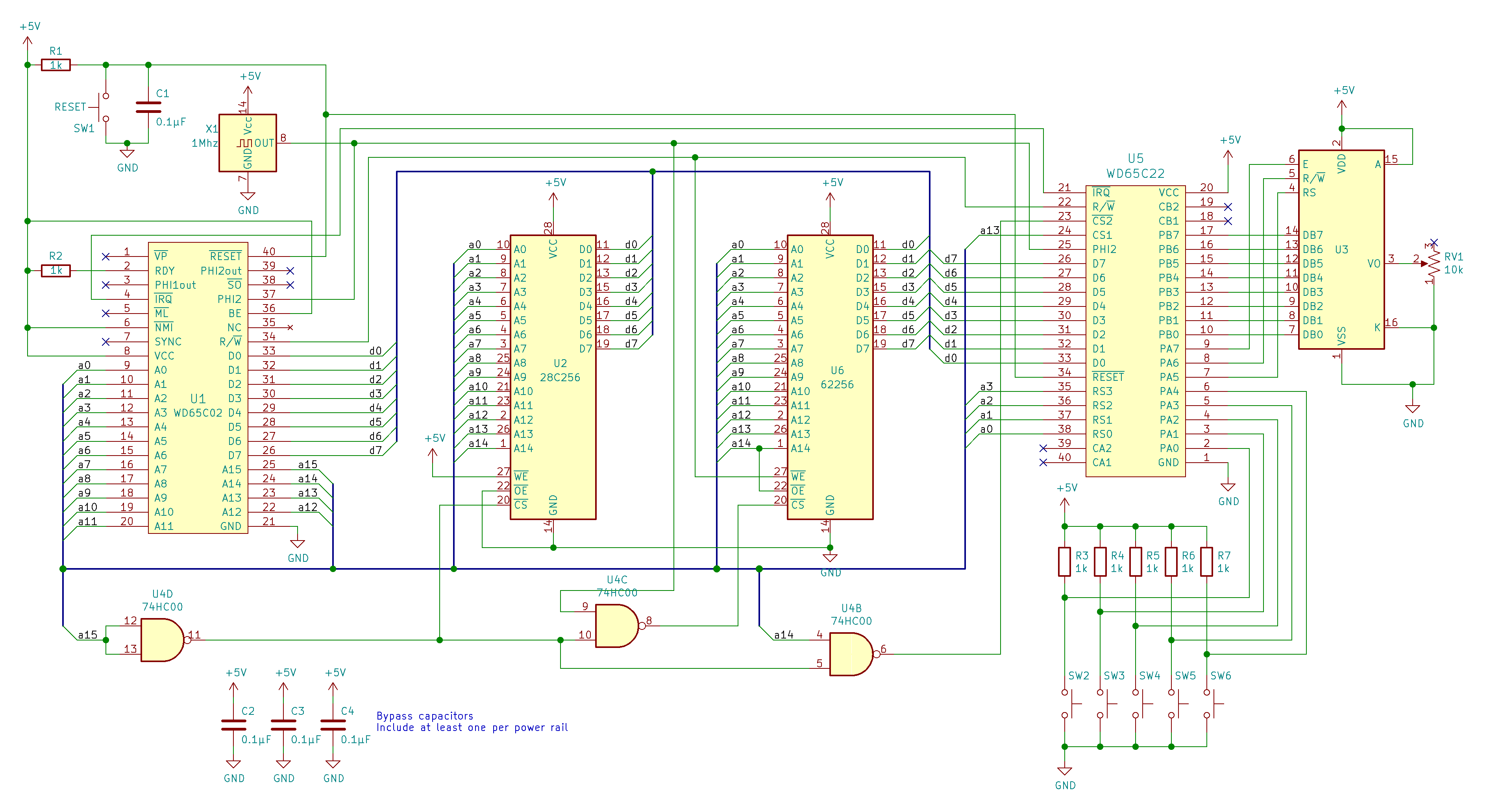
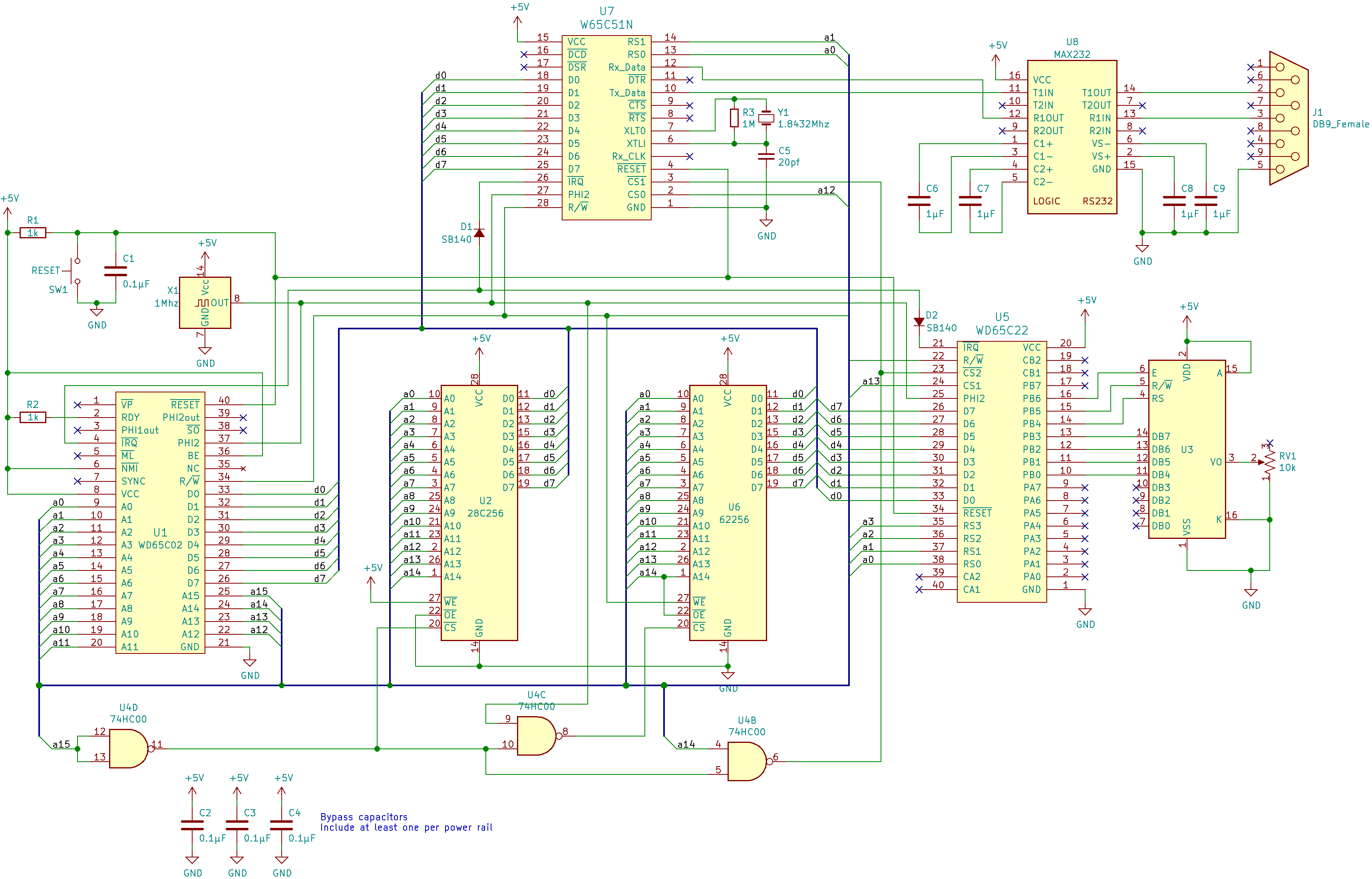
Built a fully functional computer on breadboards using the MOS 6502 CPU, hand-wired buses, and assembly code that drives LEDs, LCD output, and serial terminals.

  • 6502 Assembly
  • EEPROM / SRAM
  • VIA + UART
  • Hardware Debugging
Clock 1 MHz
ICs 40+
Programs WozMon, BASIC
Breadboard 6502 build
CPU, ROM, RAM, and VIA modules wired across stacked breadboards.

Architecture

ROM hosts monitor + bootloader, SRAM stores runtime programs, and a VIA exposes GPIO for LEDs/LCD. A 6551 UART handles RS-232 for remote console control.

Debugging Toolkit

Built a variable clock + single-step circuit to inspect bus traffic, then wrote Python scripts to assemble binaries directly into EEPROM.

Gallery

Highlights from the build.

  • Custom clock for cycle-by-cycle debugging.
  • LCD output routines for diagnostics.
  • Serial terminal session via 6551 UART.

Next

Integrating the homemade VGA card to render sprites directly from the 6502.

Lessons Learned

  • Timing margins between CPU, ROM, and peripherals are razor-thin.
  • Datasheets become your best friends under pressure.
  • Assembly teaches focus: every register, every flag matters.